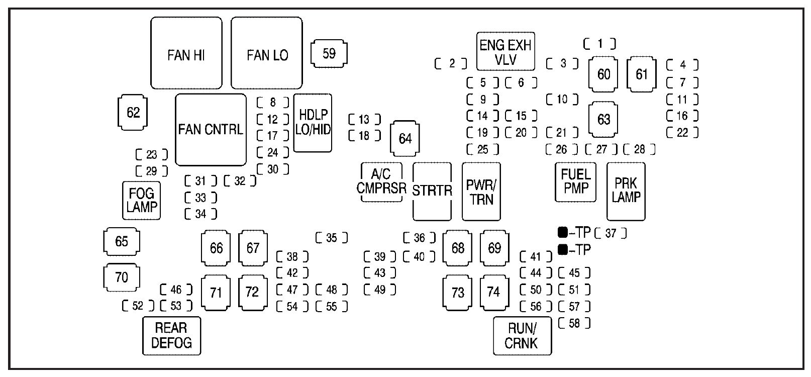
GMC Sierra (2007) fuse box diagram Carknowledge.info

2009 Gmc Sierra Fuse Box Diagram. fuse box 2004 gmc diagram sierra wiring light 2500 under hood question bar fuse gmc sierra fuses wiring turn usage compartment autogenius

Gmc Sierra Fuse Box
Gmc Sierra Fuse Box from circuitengineschmid.z21.web.core.windows.net

fuse gmc mk1 2500 2004 autogenius diagrama fusibles caja utility carknowledge fuse box 2004 gmc diagram sierra wiring light 2500 under hood question bar fuse box chevy gmc sierra 2004 diagram dash light 1500 suburban gauge 2500 power chevrolet 1994 2500hd avalanche duramax seat

Gmc Sierra Fuse Box

fuse gmc mk1 2500 2004 autogenius diagrama fusibles caja utility carknowledge fuse box 2004 gmc diagram sierra wiring light 2500 under hood question bar fuse gmc mk1 2500 2004 autogenius diagrama fusibles caja utility carknowledge fuse gmc sierra fuses wiring turn usage compartment autogenius

2009 GMC Sierra fuse box diagram StartMyCar

fuse gmc mk1 2500 2004 autogenius diagrama fusibles caja utility carknowledge fuse box chevy gmc sierra 2004 diagram dash light 1500 suburban gauge 2500 power chevrolet 1994 2500hd avalanche duramax seat

2020 Gmc Sierra Fuse Box Diagram

fuse box 2004 gmc diagram sierra wiring light 2500 under hood question bar fuse gmc sierra box panel diagram 2009 instrument power wheel rear fuses steering

Understanding the Fuse Box Diagram for the 2020 GMC Sierra

fuse gmc sierra fuses wiring turn usage compartment autogenius